
OBTENGA UNA CITA
‹

›
‹


›
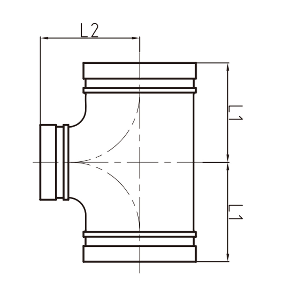
DESCRIPCIÓN DEL PRODUCTO
Nominal Tamaño mm/pulgada | Diámetro exterior de la tubería. mm/pulgada | Laboral Presión psi/Mpa | Dimensiones L1 mm/pulgada | Dimensiones L2 mm/pulgada |
50×25 2×1 | 60,3 × 33,7 2,375 × 1,315 | 300 psi 2,07 Mpa | 70 2,75 | 70 2,75 |
50×32 2×1¼ | 60,3 × 42,4 2,375 × 1,660 | 70 2,75 | 70 2,75 | |
50×40 2×1½ | 60,3 × 48,3 2,375 × 1,900 | 70 2,75 | 70 2,75 | |
65×32 2½×1¼ | 73,0 × 42,4 2.875 × 1.660 | 76 3.00 | 76 3.00 | |
65×40 2½×1½ | 73,0 × 48,3 2.875×1.900 | 76 3.00 | 76 3.00 | |
65×50 2½×2 | 73,0 × 60,3 2,875 × 2,375 | 76 3.00 | 76 3.00 | |
65×32 2½×1¼ | 76,1 × 42,4 3.000×1.660 | 76 3.00 | 76 3.00 | |
65×40 2½×1½ | 76,1 × 48,3 3.000×1.900 | 76 3.00 | 76 3.00 | |
65×50 2½×2 | 76,1 × 60,3 3.000×2.375 | 76 3.00 | 76 3.00 | |
80×40 3×1½ | 88,9 × 48,3 3.500×1.900 | 86 3.38 | 86 3.38 | |
80×50 3×2 | 88.9×60.3 3.500×2.375 | 86 3.38 | 86 3.38 | |
80×65 3×2½ | 88,9 × 76,1 3.500×3.000 | 86 3.38 | 86 3.38 | |
100×65 4×2½ | 108,0 × 76,1 4.250×3.000 | 91 3.58 | 91 3.58 | |
100×80 4×3 | 108.0×88.9 4.250×3.500 | 91 3.58 | 91 3.58 | |
100×50 4×2 | 114.3×60.3 4.500×2.375 | 101 3.98 | 101 3.98 | |
100×65 4×2½ | 114,3 × 76,1 4.500×3.000 | 101 3,98 | 101 3,98 | |
100×80 4×3 | 114.3×88.9 4.500×3.500 | 101 3.98 | 101 3.98 | |
125×50 5×2 | 139.7×60.3 5.500×2.375 | 122 4.803 | 122 4.803 | |
125×65 5×2½ | 139,7 × 76,1 5.500×3.000 | 122 4.803 | 122 4.803 | |
125×100 5×4 | 139.7×114.3 5.500×4.500 | 122 4.803 | 122 4.803 | |
150×65 6×2½ | 159,0 × 76,1 6.250×3.000 | 120 4.72 | 120 4.72 | |
125×100 5×4 | 139.7×114.3 5.500×4.500 | 122 4.803 | 122 4.803 | |
150×65 6×2½ | 159,0 × 76,1 6.250×3.000 | 120 4.72 | 120 4.72 | |
150×80 6×3 | 159.0×88.9 6.250×3.500 | 120 4.72 | 120 4.72 | |
150×100 6×4 | 159.0×108.0 6.250×4.250 | 120 4.72 | 120 4.72 | |
150×100 6×4 | 159.0×114.3 6.250×4.500 | 120 4.72 | 120 4.72 | |
150×50 6×2 | 165.1×60.3 6.500×2.375 | 140 5.50 | 140 5.50 | |
150×65 6×2½ | 165,1 × 76,1 6.500×3.000 | 140 5,50 | 140 5,50 | |
150×80 6×3 | 165.1×88.9 6.500×3.500 | 140 5.50 | 140 5.50 | |
150×100 6×4 | 165.1×114.3 6.500×4.500 | 140 5.50 | 140 5.50 | |
150×50 6×2 | 168.3×60.3 6.625×2.375 | 140 5.50 | 140 5.50 | |
150×65 6×2½ | 168,3 × 76,1 6.625×3.000 | 140 5,50 | 140 5,50 | |
150×80 6×3 | 168.3×88.9 6.625×3.500 | 140 5.50 | 140 5.50 | |
200×65 8×2½ | 219,1 × 76,1 8,625 × 3,000 | 175 6.88 | 175 6.88 | |
200×80 8×3 | 219.1×88.9 8.625×3.500 | 175 6.88 | 175 6.88 | |
200×100 8×4 | 219.1×108.0 8.625×4.250 | 175 6.88 | 175 6.88 | |
200×100 8×4 | 219.1×114.3 8.625×4.500 | 175 6.88 | 175 6.88 | |
200×125 8×5 | 219.1×139.7 8.625×5.500 | 175 6.88 | 175 6.88 | |
200×150 8×6 | 219.1×159.0 8.625×6.250 | 175 6.88 | 175 6.88 | |
200×150 8×6 | 219.1×165.1 8.625×6.500 | 175 6.88 | 175 6.88 | |
200×150 8×6 | 219.1×168.3 8.625×6.625 | 175 6.88 | 175 6.88 | |
250×100 10×4 | 273×114.3 10.748×4.500 | 165 6.496 | 185 7.283 | |
250×150 10×6 | 273×165.1 10.748×6.500 | 165 6.496 | 185 7.283 | |
250×150 10×6 | 273×168.3 10.748×6.625 | 165 6.496 | 185 7.283 | |
250×200 10×8 | 273×219.1 10.748×8.625 | 165 6.496 | 185 7.283 |
MENSAJE
PRODUCTOS RELACIONADOS





































