product12.jpg

Adaptador de brida ANSI CLASS150 XGQT08
Material de la carcasa: Hierro dúctil conforme a ASTM A-536 65-45-12
Recubrimiento: Pintura, Epoxi, Galvanizado, Dacromet {7777}Ranura: Conforme a los requisitos generales internacionales y se puede conectar con cualquier marca de accesorios ranurados y acoplamientos.{7777}Estilo: ANSI CLASE150

DESCRIPCIÓN DEL PRODUCTO

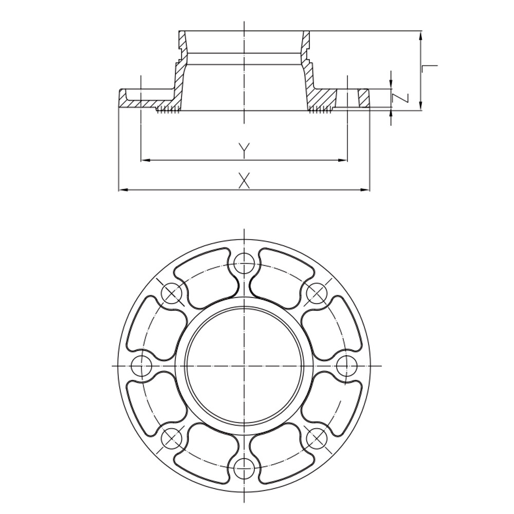
Nominal

Tamaño

mm/pulgada

Diámetro exterior de la tubería.

mm/pulgada

Laboral

Presión

psi/Mpa

Dimensiones mm/pulgadas Perno/Tamaño

yo

mm/pulgada

incógnita

mm/pulgada

Y

mm/pulgada

O

mm/pulgada

No.-Tamaño

mm

50

2

60.3

2.375

300 psi

2,07 Mpa

60

2.362

160

6.30

120.7

4,75

15

0,59

4-M16

65

73

2.875

60

2.362

180

7.08

139,7

5,50

15

0,59

4-M16

80

3

88.9

3.5

65

2.559

200

7.87

152,5

6.00

15

0,59

4-M16

100

4

114.3

4.5

70

2.756

228

8,97

190,5

7,50

16

0,63

8-M16

125

5

141

4.5

70

2.756

250

9.84

216

8,50

17

0,67

8-M20

150

6

168.3

6.625

70

2.756

282

11.10

241,5

9,50

17

0,67

8-M20

200

8

219.1

8.625

75

2.952

340

13.39

298,5

11,75

19

0,74

8-M20

250

10

273

10,75

85

3.346

405

15,94

362

14.25

21

0,82

12-M24

300

12

323,9

12.750

85

3.346

482

18,97

432

17.00

22

0,86

12-M24

MENSAJE

Enviar

PRODUCTOS RELACIONADOS